YWZ8,YWP系列電力液壓鼓式制動器,廣泛應用于有防爆要求的各種起重運輸、皮帶運輸、港口裝卸、冶金及建筑機械中各種機構的減速和停車(維持)制動。
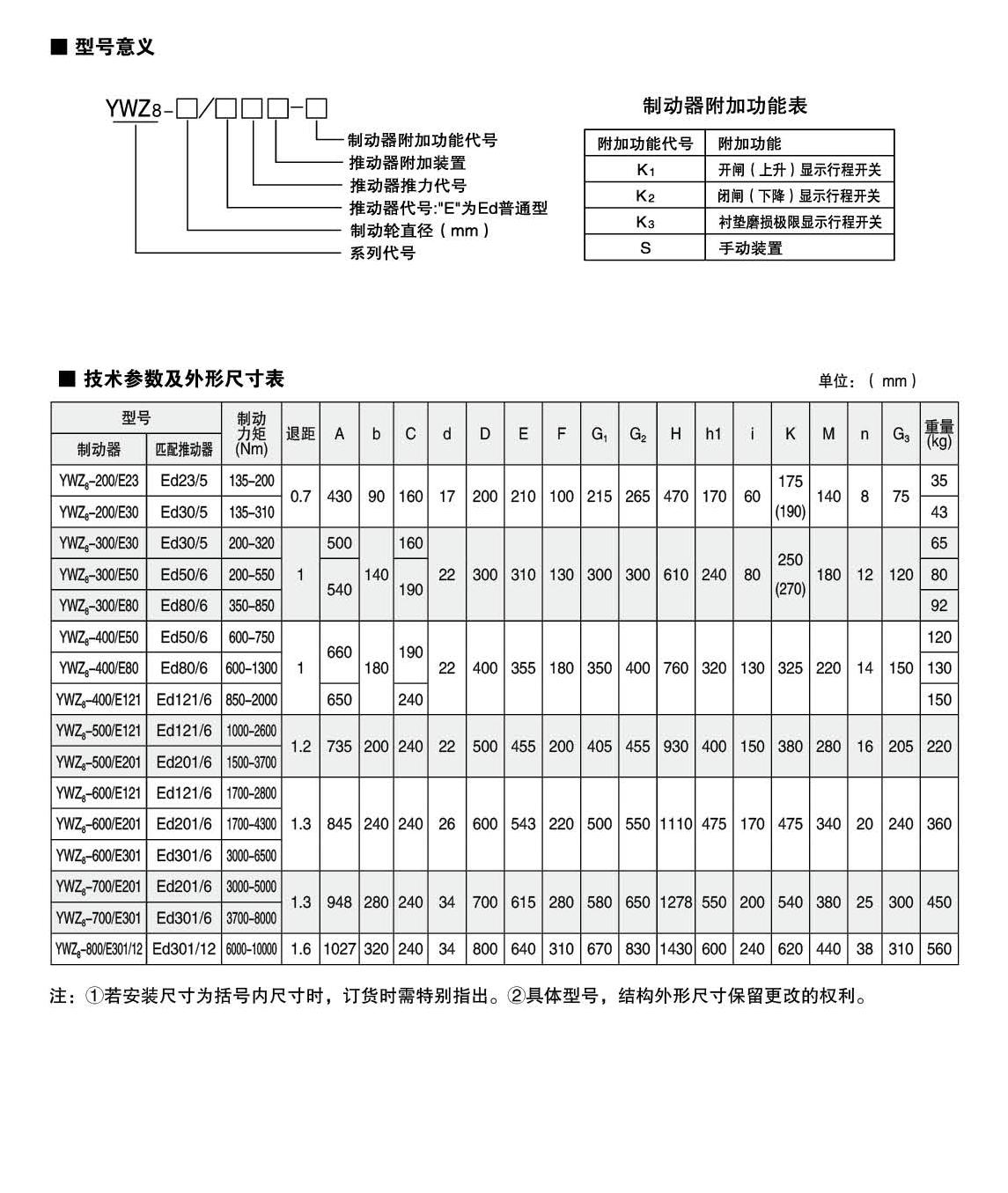
YWZ8.YWP系列電力液壓鼓式制動器的連接尺寸和制動力矩參數符合JB/ZQ4388-86和GB6333-86(帶A系列)標準,技術要求符合JB / T6406-2006標準,配套符合DIN15430標準的Ed系列推動器。
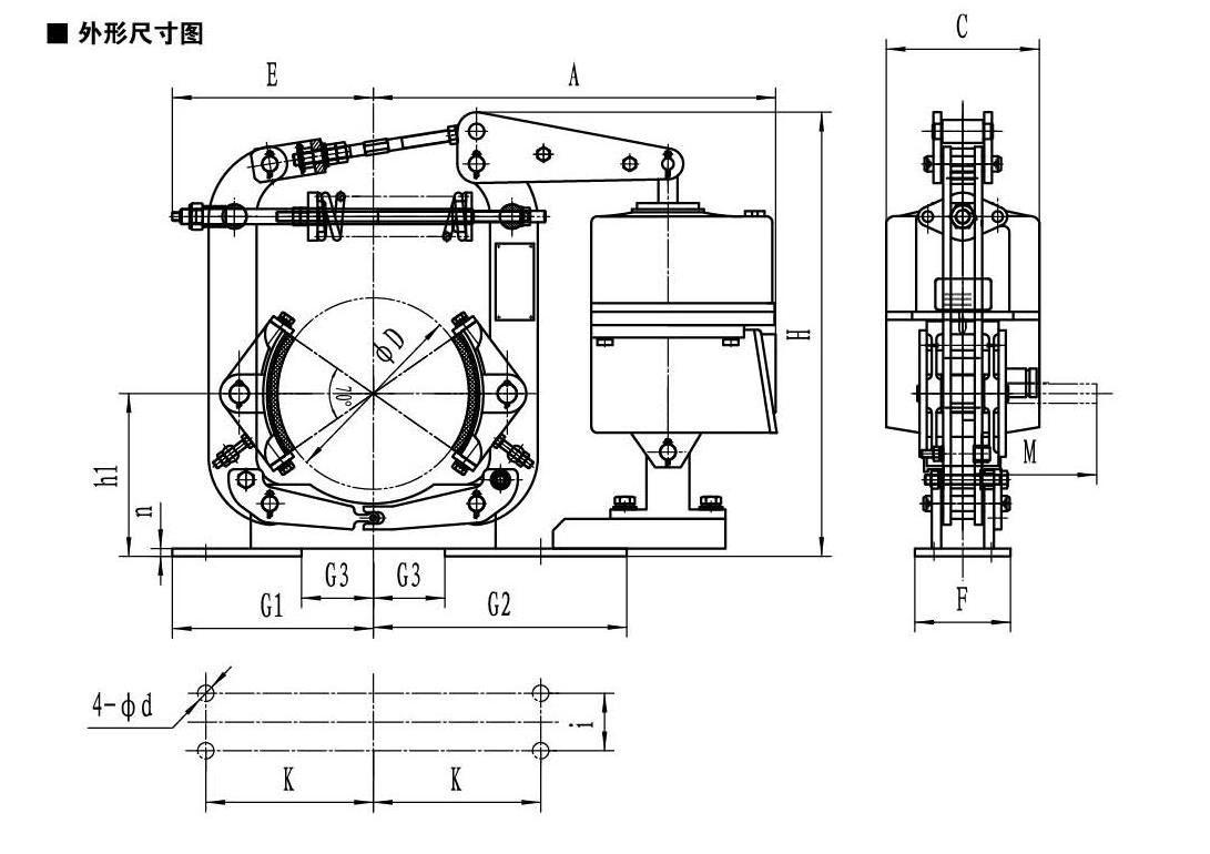
▲ 聯鎖式退距均等裝置和瓦塊自動隨位裝置,可始終保持兩側瓦塊退距均等且無需調整,完全避免因退距不均使一側制動襯墊浮貼制動輪的現象;
▲ 主要擺動鉸點均設有自潤滑軸承,傳動效率高,壽命長,使用中無需潤滑;
▲ 制動彈簧在方管內布置并設有標尺,用戶可十分方便地讀出制動力矩值,免去測量和計算的麻煩;
▲ 制動襯墊為(帶卡槽)卡裝式整體成型結構,更換十分方便、快捷,備有半金屬(無石棉)硬質和半硬質,軟質(無石棉)等不同材質的制動襯墊供用戶選擇;
▲ 配套Ed系列電力液壓推動器產品,動作靈敏、使用壽命長;
▲ 常閉式設計,(斷電)彈簧制動,(通電)推動器釋放。
◆ 海拔高度:<2000m;
◆ 環境溫度:-20°C?+ 40°C;
◆ 相對濕度:≤90%;
◆ 工作制:間歇性(S3-60%)和連續(S1);
◆ 電源電壓:三相交流,AC380 50Hz (其他電源等級可按需要定制);
◆ 有特殊要求時在訂貨時協商確定。
● 產品型號:YWZ8-200、YWZ8-250、YWZ8-300、YWZ8-315、YWZ8-400、YWZ8-500、YWZ8-600、YWZ8-630、YWZ8-700、YWZ8-710、YWZ8-800
● 適用輪徑:200~800mm
● 制動力矩:135~10000Nm
基本參數:
● 產品型號:YWP-200、YWP-250、YWP-315、YWP-400、YWP-500、YWP-630、YWP-710、YWP-800
● 適用輪徑:200~800mm
● 制動力矩:80~12500Nm








